Recent Searches
Food Molding Machine
KOREAN MADE
HANYOUNG FMT
Bucket custom made
Hardox in my body
CHANWOON INDUSTRY
Rebar Cutting
Machine
SAMHWAN MACHINE
Recommended Keywords
#Food Molding Machine
#Digging Bucket
#Excavator Bucket
#Rebar Cutting Machine
#PEI GENESIS
English
Manufacturers
Traders
Stock List
How to Sell
For Supplier
For Distributor
Buying Service
Reference
Komachine
Help Center
This product is
manufactured
by
KOREEL
Website
+82 1544-9111
This product is
manufactured
by
KOREEL
Home
Manufacturers
KOREEL
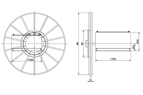
Cable reels
Induction Motor
Induction Motor
Model Name
-
Series
Cable reels
View All
View All Series
Data
-
Manufacturer information
KOREEL
Industrial reel manufacturer
Inquiry
How to order
Problem with product info?
Update request
Manufacturer
KOREEL
Product Type
Machine
Brand
-
SKU
142700
Product Name
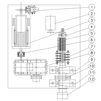
Induction Motor
Model Name
-
Size
-
Weight
-
Product Details
More products
More
접지용 릴
WR series
접지용 릴
ER series
Guide roller
SKG-SF, SKG-V2
Cable reels (Spring driven type)
EU40, EU50
Cable reels (Spring driven type)
EA50, EA70
에어공급용
AC-825C, AC-825C, AC-825C
Electronic hydraulic pushers
Earth Reel
Cable reels for aircrafts
Electric excavators
Cable reels for working
멀티센터조인트
MCJ series
AMP
For stage equipment
Brake drums
Brake discs
1
/
4
KOREEL
Biz Home
Industrial reel manufacturer
Inquiry